СОСТАВ ПОЧВЕННОЙ МАССЫ
Самой существенной особенностью почвенного тела является то, что это четырехфазная система (Роде, 1971). Все четыре фазы в разной степени представлены во всех почвах, и почва как природное тело существует только в единстве своих четырех фаз.
Эти фазы следующие: твердая, жидкая, газовая и живое вещество организмов, населяющих почву.
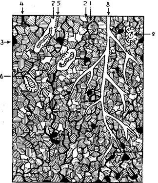
На рис. 22 представлены примеры соотношений фаз в различных почвах; рис. 23 дает представление о реальном распределении фаз в почвенном теле.![]() |
Рис. 22. Соотношение в объемных процентах между твердой (а), жидкой (б), газовой (б) и живой (г) фазами в дерновом горизонте луговой почвы (/), в гумусовом горизонте чернозема (2) и солонцовом горизонте солонца (3) в состоянии предельной полевой влагоемкости (А) и в воздушно-сухом
состоянии (Б)
^Твердая фаза почвы — это ее основа, каркас, матрица, формирующаяся в процессе почвообразования из материнской горной породы, и в значительной степени унаследующая состав и свойства. последней. Степень близости между составом, строением и свойствами почвы и материнской породы зависит от типа, интенсивности и возраста почвообразования, а также от свойств самой исходной породы. Это полидисперсная многокомпонентная система, фор
мирующая каркас почвенного тела. Она состоит из остаточных минералов горной породы и вторичных продуктов почвообразования — растительных остатков, продуктов их частичного разложения, гумуса, вторичных глинных минералов, простых солей и окислов элементов, освобожденных при выветривании на месте или принесенных со стороны агентами геохимической миграции, различных новообразований.
Рис. 23. Сложение и фазовый состав почвы:1 — твердая фаза (агрегаты почвенных частиц); 2 — поры, заполненные воздухом; 3 — крупные поры, заполненные водой; 4 — заполненные водой капиллярные поры; 5 — грибная плесень; 6 — личинки и куколки почвенной фауны; 7 — ход дождевого червя; 8 —корневая система растений, 9 — раковины моллюсков |
Твердая фаза почвы характеризуется механическим (гранулометрическим), минералогическим и химическим составом, с одной стороны, и сложением и структурой твердого каркаса почвы — с другой.
В данной книге мы не будем рассматривать минералогический и химический состав почв, поскольку эти вопросы подробно
изложены в любом современном учебнике почвоведения, а вот сложение твердой фазы почвы непосредственно составляет предмет морфологии почв и заслуживает детального рассмотрения здесь.
Жидкая фазы почвы — это почвенный раствор, исключительно динамичная по объему и составу часть почвы. Содержание и свойства почвенного раствора зависят от водно-физических свойств почвы и от ее состояния в данный момент в соответствии с условиями грунтового и атмосферного увлажнения при данном состоянии погоды. В районах с низкими зимними температурами в холодный сезон жидкая фаза почвы переходит в твердое состояние (замерзает) и принимает существенное участие в динамических явлениях почвообразования: расширение и сжатие почвенной массы, криотурбации, оструктуривание, необратимая коагуляция коллоидов. Жидкая фаза — это кровь почвенного тела, служащая главным фактором дифференциации почвенного профиля, так как главным образом путем вертикального и латерального передвижения воды в почве происходит в ней перемещение тех или иных веществ в суспендированном либо растворенном состоянии (коллоидные и истинные растворы).
Формы воды и их соотношение в почве зависят от ее механического и минералогического состава, от структурности, определяющей размер и конфигурацию почвенной порозности, и, конечно, от степени ее влажности в данный момент.
В любой почве, даже самой «сухой», всегда присутствует какое-то количество ьоды, если только ее не удалить искусственно сильным нагреванием.А. А. Роде (1965) выделяет следующие формы почвенной Благи.
; Кристаллизационная (конституционная) влага те молекулы воды, которые входят в состав минеральных, органо-минеральных и органических компонентов почвы, составляя неотъемлемую часть их кристаллических решеток или макромолекул.
Твердая влага лед, появляющийся и исчезающий в почве при изменениях температуры.
Парообразная влага пары воды в почвенном воздухе, содержание которых резко меняется с температурой.
Прочносвязанная влага слой воды толщиной в 2 3 моле
кулы, формирующийся на поверхности почвенных частиц под влиянием адсорбционных сил.
Рыхлосвязанная влага слой воды вокруг почвенных частиц толщиной в несколько десятков молекул, образующийся за счет гидратации ионов и дипольных моментов прочносвязанной воды.
Свободная влага вода, не связанная сорбционными силами с почвенными частицами и существующая в различных формах: а) подвешенная стыковая капиллярно-подвешенная в виде разобщенных скоплений на стыках почвенных частиц, внутриагрегат- ная капиллярно-подвешенная в пронизывающих агрегаты, капил
лярах, насыщенная капиллярно-подвешенная в тонких порах почвы и сорбционно-замкнутая в виде микроскоплений в некапиллярных порах, изолированных перемычками связанной воды;
б) подпертая гравитационная — подперто подвешенная капиллярная вода в мелкопористых слоях почвы, подстилаемых более крупнопористыми слоями,и подпертая капиллярная вода в капиллярах, подпираемых водоносным горизонтом; в) свободная гравитационная — просачивающаяся в виде нисходящего тока под влиянием силы тяжести и вода водоносного горизонта, удерживаемая водоупором.
Мы не будем рассматривать почвенно-гидрологические константы, водно-физические свойства и водные режимы почв, отсылая читателя к соответствующим .руководствам по почвоведению, так как это не входит в задачу данной книги, как и вопросы состава и свойств почвенного раствора.
Для настоящего изложения важно знать лишь те формы, в которых существует жидкая фаза почв, что существенно для последующего изложения морфологии почв.Газовая фаза почвы это воздух, заполняющий свободные от воды поры почвы. Почвенный воздух существенно отличается от атмосферного по составу прежде всего за счет большего содержания углекислого газа и меньшего содержания кислорода. Состав почвенного воздуха очень динамичен и меняется не только в течение года, но и в течение суток в зависимости от температуры воздуха и почвы. С глубиной в почве обычно уменьшается содержание кислорода и увеличивается содержание углекислого газа в почвенном воздухе. В сухой почве воздуха больше, во влажной меньше, поскольку в общем объеме почвенной порозности вода и воздух взаимно замещают друг друга в зависимости от состояния почвы в тот или иной момент. Воздухоемкость почвы зависит от общего объема почвенной порозности, а воздухопроницаемость — от конфигурации пор: чем больше в почве не изолированных друг от друга крупных пор аэрации, тем выше ее воздухопроницаемость и лучше газообмен в ней.
Живая фаза почвы — это живое вещество населяющих почву организмов, непосредственно участвующих в процессе почвообразования. К ним относятся многочисленные микроорганизмы (бактерии, атиномицеты, грибы, водоросли), представители почвенной микро- и мезофауны (простейшие, насекомые, черви) и, наконец, наибольшая по объему живая часть почвы — корневые системы растений. Некоторые исследователи (например, Роде, 1971) полагают, что корневые системы растений не должны включаться в состав живой фазы почвы. Однако с этим трудно согласиться, имея в виду их роль в строении, сложении и составе почвы и в почвообразовании в целом. В некоторых случаях корневые системы составляют более половины почвенного объема, например в дерновом горизонте. Они являются непосредственным источником почвенного гумуса после отмирания, участвуют в обменных реакциях с почвенным раствором и твердой фазой, выделяют в окружающую почвенную среду различные вещества и поглощают другие, изменяют окислительно-восстановительный потенциал и pH в окружающей среде, постоянно участвуют в водо- и воздухообмене почвы.
С мнением А. А. Роде в этом вопросе трудно согласиться еще и потому, что практически в почве чаще всего невозможно разделить живые и мертвые корни, особенно мельчайшие корни и корневые волоски, а отмершие растительные остатки — это несомненная составная часть почв, правда, уже входящая в состав ее твердой фазы. Принципиальной разницы между живым вещестом корневой системы растения и, скажем, дождевого червя или почвенного гриба нет, а роль первой в почвообразовании может быть значительно большая. То, что корневые системы — это часть живых организмов, а не целые организмы, не имеет существенного значения.Итак, четыре фазы составляют почвенную массу. С точки зрения морфологии почв наибольший интерес из них представляет твердая фаза, образующая каркас почвенного тела, его специфическое сложение. В сложении почвенной массы можно различать макросложение, т. е. почвенный профиль и его горизонты, мезо- сложение или почвенную структуру и, наконец, микросложение.
Еще по теме СОСТАВ ПОЧВЕННОЙ МАССЫ:
- ТАКСОНОМИЧЕСКИЙ СОСТАВ ПОЧВЕННЫХ ПРОКАРИОТ
- ЭКОЛОГО-ТАКСОНОМИЧЕСКИЙ СОСТАВ ПОЧВЕННОЙ ФАУНЫ
- ВОДНЫЕ МАССЫ
- ВТОРИЧНЫЕ ВОДНЫЕ МАССЫ И ЗАВИСИМЫЕ ОКЕАНИЧЕСКИЕ ПОПУЛЯЦИИ
- ПЕРВИЧНЫЕ ВОДНЫЕ МАССЫ И НЕЗАВИСИМЫЕ ОКЕАНИЧЕСКИЕ ПОПУЛЯЦИИ
- Франция Почвенная реферативная база Франции,цит. по переводу «Почвенный справочник», 2000.(Referentiel pedologique, AFES, 1998)
- Состав пищи
- Состав ветеринарной аптечки
- Состав ветеринарной аптечки
- Размерный состав бентоса
- ВИДОВОЙ СОСТАВ И СРУКТУРА МИКРОМИЦЕТОВБОЛОТНО-ПОДЗОЛИСТЫХ ПОЧВ
